恒科汽配网
| |
设为主页
|
保存桌面
|
手机版
|
二维码
济南向前汽车配件有限公司
9
济南向前汽车配件有限公司
微信号:
18660103049
豪沃发动机总成,欧系卡车配件,陕汽,重汽配件,工程机械,电子产...
网站首页
公司介绍
供应产品
新闻中心
荣誉资质
联系方式
公司相册
诚信档案
新闻中心
老车型配件
关于SZ953000832散热器总成技术状态变更说明
DZ9H259800601 二横梁焊接总成(带上车踏步支座)X6000
HOWO 越野车新驾驶室前保护架
DC97189630002-X3000
产品分类
暂无分类
站内搜索
供应产品
新闻中心
公司相册
诚信档案
荣誉资质
会员
特约经销商
友情链接
豪沃发动机总成
济南向前汽车配件有限公司
您当前的位置:
首页
»
供应产品
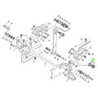
» 81.96210.6061 开口衬套
81.96210.6061 开口衬套
点击图片查看原图
产品:
Open bushing
图号:
81.96210.6061 开口衬套
车型:
SHACMAN F3000
品牌:
Forward
weight:
1.3KG
单价:
23.00元/Pcs/Set
最小起订量:
10 Pcs/Set
供货总量:
发货期限:
自买家付款之日起
3
天内发货
有效期至:
长期有效
最后更新:
2025-11-04 15:10
最新关注:
365
如果您对我们的产品感兴趣,可以点击下面的询价填写询价单,我们会对此询价单有额外的优惠.
豪沃发动机总成
详细信息
(可单向替代DZ13241430085 开口衬套) 更新:DZ14251432098
询价单
©2026
济南向前汽车配件有限公司
版权所有 技术支持:
重汽配件网
访问量:2830792
网站首页
网站报告
管理入口
在线服务
电话:0531-68827106
手机:18660103049
微信:18660103049